Область применения:
- Производство изделий из пластмасс
- Производство изделий из стекла
- Производство изделий из цветных металлов
- В системах регулирования температуры с горячей / холодной водой
Характеристики:
- Проток 6 мм
- Рабочее давление: от 0 до 15 бар
- Диапазон температур: от -5°C до +180°C, прокладки из витона FPM (V)
- Материал стандартного исполнения муфты, ниппеля: латунь
- Материал специального исполнения муфты, ниппеля: нержавеющая сталь;
- Материал стандартного исполнения прокладок: витон FPM (V)
- Опции: замок безопасности
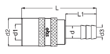
БРС муфта / розетка для шланга "ёлочка"

|
|
|
|
|||||
| Артикул | Артикул | d | d1 | d2 | d3 | L | L1 |
| 506 HGB 06 | 506 HG 06 | 6 | 4 | 17 | 9 | 56 | 22,5 |
| 506 HGB 08 | 506 HG 08 | 8 | 6 | 17 | 9 | 56 | 22,5 |
| 506 HGB 09 | 506 HG 09 | 9 | 7 | 17 | 9 | 56 | 22,5 |
| 506 HGB 10 | 506 HG 10 | 10 | 8 | 17 | 9 | 56 | 22,5 |
БРС муфта / розетка 45° для шланга "ёлочка"

|
|
|
|
|||||
| Артикул | Артикул | d | d1 | d2 | d3 | L | L1 |
| 506 HGB 06-45° | 506 HG 06-45° | 6 | 4,5 | 17 | 9 | 45 | 22,5 |
| 506 HGB 08-45° | 506 HG 08-45° | 8 | 6 | 17 | 9 | 45 | 22,5 |
| 506 HGB 09-45° | 506 HG 09-45° | 9 | 6 | 17 | 9 | 45 | 22,5 |
| 506 HGB 10-45° | 506 HG 10-45° | 10 | 8 | 17 | 9 | 45 | 22,5 |
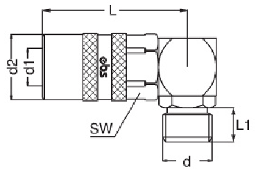
БРС муфта / розетка 90° для шланга "ёлочка"

|
|
|
||||||
| Артикул | Артикул | d | d1 | d2 | d3 | L | L1 |
| 506 HGB 06-90° | 506 HG 06-90° | 6 | 4,5 | 17 | 9 | 45 | 22,5 |
| 506 HGB 08-90° | 506 HG 08-90° | 8 | 6 | 17 | 9 | 45 | 22,5 |
| 506 HGB 09-90° | 506 HG 09-90° | 9 | 6 | 17 | 9 | 45 | 22,5 |
| 506 HGB 10-90° | 506 HG 10-90° | 10 | 8 | 17 | 9 | 45 | 22,5 |
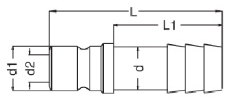
БРС муфта/ розетка для шланга с безмуфтовым соединением

|
|
|
||||||
| Артикул | Артикул | d | d1 | d2 | d3 | L | L1 |
| 506 FGB 10 |
506 FG 10 |
10 | 7 | 17 | 9 | 47 | 24 |
БРС муфта / розетка 45° под шланг с безмуфтовым соединением

|
|
|
|
|||||
| Артикул | Артикул | d | d1 | d2 | d3 | L | L1 |
| 506 FGB 10-45° | 506 FG 10-45° | 10 | 6 | 17 | 9 | 45 | 24 |
БРС муфта / розетка под углом 90° с безмуфтовым соединением

|
|
|
|
|||||
| Артикул | Артикул | d | d1 | d2 | d3 | L | L1 |
| 506 FGB 10-90° | 506 FGB 10-90° | 10 | 6 | 17 | 9 | 45 | 24 |
БРС Муфта / розетка глухая

|
|
|
|||||
| Артикул | d | d1 | L | |||
| 506 KGB 00 | 12 | 9 | 27 | |||
Муфта / розетка с внутренней резьбой
|
|
|
|||||
| Артикул | Артикул | d | d1 | d2 | L | SW |
| 506 DGB 10 | 506 DG 10 | BSP 1/8” | 17 | 9 | 40 | 17 |
| 506 DGB 13 | 506 DG 13 | BSP 1/4” | 17 | 9 | 42 | 17 |
| 506 DGB M14 | 506 DG M14 | M14 x 1,5 | 17 | 9 |
42 |
17 |
| 506 DGB 17 | 506 DG 17 | BSP 3/8” | 17 | 9 | 42 | 17 |
| 506 DGB N10 | 506 DG N10 | NPT 1/8” | 17 | 9 | 40 | 17 |
| 506 DGB N13 | 506 DG N13 | NPT 1/4” | 17 | 9 | 45 | 17 |
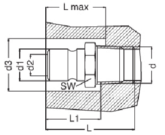
БРС муфта / розетка с наружной резьбой

|
|
|
|
|||||
| Артикул | Артикул | d | d1 | d2 | L | L1 | SW |
| 506 EGB 10 | 506 EG 10 | BSP 1/8” | 17 | 9 | 44 | 12 | 17 |
| 506 EGB 13 | 506 EG 13 | BSP 1/4” | 17 | 9 | 47 | 15 | 17 |
| 506 EGB M14 | 506 EG M14 | M14 x 1,5 | 17 | 9 | 47 | 15 | 17 |
| 506 EGB 17 | 506 EG 17 | BSP 3/8” | 17 | 9 | 47 | 15 | 17 |
| 506 EGB N10 | 506 EG N10 | BSP 1/8” | 17 | 9 | 46 | 14 | 17 |
| 506 EGB N13 | 506 EG N13 | BSP 1/4” | 17 | 9 | 47 | 15 | 17 |
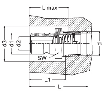
БРС муфта / розетка 45° с наружной резьбой

|
|
|
|
|||||
| Артикул | Артикул | d2 | d3 | d4 | L | L1 | SW |
| 506 EGB 10-45° | 506 EG 10-45° | BSP 1/8” | 17 | 9 | 38 | 10 | 17 |
| 506 EGB 13-45° | 506 EG 13-45° | BSP 1/4” | 17 | 9 | 38 | 10 | 17 |
| 506 EGB N10-45° | 506 EG N10-45° | NPT 1/8” | 17 | 9 | 38 | 10 | 17 |
| 506 EGB N13-45° | 506 EG N13-45° | NPT 1/4” | 17 | 9 | 38 | 10 | 17 |
БРС муфта / розетка 90° с наружной резьбой

|
|
|
|
|||||
| Артикул | Артикул | d2 | d3 | d4 | L | L1 | SW |
| 506 EGB 10-90° | 506 EG 10-90° | BSP 1/8” | 17 | 9 | 38 | 10 | 17 |
| 506 EGB 13-90° | 506 EG 13-90° | BSP 1/4” | 17 | 9 | 38 | 10 | 17 |
| 506 EGB N10-90° | 506 EG N10-90° | NPT 1/8” | 17 | 9 | 38 | 10 | 17 |
| 506 EGB N13-90° | 506 EG N13-90° | NPT 1/4” | 17 | 9 | 38 | 10 | 17 |
БРС адаптер муфты / розетки
|
|
|
|
|||||
| Артикул | Артикул | d | d1 | d2 | L | L1 | |
| 506 HGB 509 | 506 HG 509 | 9 | 9 | 17 | 43 | 27,5 | |
БРС адаптер муфты / розетки

|
|
|
|
|||||
| Артикул | Артикул | d | d1 | d2 | L | L1 | |
| 506 HGB 509 | 506 HG 509 | 13 | 9 | 17 | 41,5 | 27,5 | |
БРС адаптер муфты / розетки

|
|
|
|
|||||
| Артикул | Артикул | d | d1 | d2 | L | L1 | |
| 506 HGB 600.08 | 506 HG 600.08 | 17 | 21 | 17 | 41,5 | 46,5 | |
Ниппель / розетка глухая

|
|
||||||
| Артикул | d | |||||
| 506 KTP | 9 | |||||
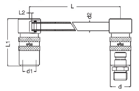
БРС соединитель / розетка с муфтами

|
|
|
|
|||||
| Артикул | Артикул | d | d1 | d2 | L | L1 | L2 |
| 506 KGB 125 | 506 KG 125 | 17 | 9 | 8x1 | 125 | 41 | 2 |
| 506 KGB 250 | 506 KG 250 | 17 | 9 | 8x1 | 250 | 41 | 2 |
| 506 KGB 500 | 506 KG 500 | 17 | 9 | 8x1 | 500 | 41 | 2 |
БРС штуцер / ниппель с внутренней резьбой

|
|
|
|||||
| Артикул | d | d1 | d2 | L | SW | |
| 506 DR 10 | 1/8” | 6 | 9 | 26 | 13 | |
| 506 DR 13 | 1/4” | 6 | 9 | 32 | 13 | |
| 506 DR 17 | 3/8” | 6 | 9 | 32 | 13 | |
БРС штуцер / ниппель с длинной резьбой

|
|
|
||||||
| Артикул | d | d1 | d2 |
SW |
L1 | L | |
| 506 BL M10x100 | M10X1 | 6 | 9 | 11 | 40 | 100 | |
| 506 BL 10x100 | BSPT 1/8” | 6 | 9 | 11 | 40 | 100 | |
| 506 BL 13x100 | BSPT 1/4” | 6 | 9 | 14 | 40 | 100 | |
| 506 BL M14x100 | M14X1,5 | 6 | 9 | 14 | 40 | 100 | |
| 506 BL M17x100 | BSPT 3/8” | 6 | 9 | 17 | 40 | 100 | |
БРС штуцер / ниппель длинный без резьбы

|
|
|
||||||
| Артикул | d | d1 | d2 |
SW |
L | L1 | |
| 506 BN 63 | 10 | 6 | 9 | 11 | 63 | 17 | |
| 506 BN 100 | 10 | 6 | 9 | 11 | 100 | 17 | |
| 506 BN 120 | 10 | 6 | 9 | 11 | 120 | 17 | |
| 506 BN 240 | 10 | 6 | 9 | 11 | 240 | 17 | |
| 506 BN 360 | 10 | 6 | 9 | 11 | 360 | 17 | |
БРС штуцер / ниппель длинный с резьбой

|
|
|
|||||||||
| Артикул | d | SW | d1 | d2 | d3 | L50 | L100 | L150 | L200 | L250 |
| 506 TU 10xL | 1/8” | 11 | 6 | 9 | 10 | 50 | 100 | 150 | 200 | 250 |
| 506 TU 13xL | 1/4” | 14 | 6 | 9 | 14 | 50 | 100 | 150 | 200 | 250 |
| 506 TU 10xL | 3/8” | 17 | 6 | 9 | 17 | 50 | 100 | 150 | 200 | 250 |
| 506 ER M10xL | M10x1 | 11 | 10 | 9 | 6 | 50 | 100 | 150 | 200 | 250 |
| 506 ER M14xL | M14x1,5 | 15 | 14 | 9 | 6 | 50 | 100 | 150 | 200 | 250 |
БРС штуцер / ниппель под шланг "ёлочка"

|
|
|
|||||||||
| Артикул | d | d1 | d2 | L1 | L | |||||
| 506 HR 06 | 6 | 4 | 9 | 23 | 37 | |||||
| 506 HR 08 | 8 | 6 | 9 | 23 | 37 | |||||
| 506 HR 09 | 9 | 7 | 9 | 23 | 37 | |||||
| 506 HR 10 | 10 | 8 | 9 | 23 | 37 | |||||
БРС штуцер / ниппель для шланга с безхомутовым соединением

|
|
|
|||||||||
| Артикул | d | d1 | d2 | L1 | L | |||||
| 506 FHR 10 | 10 | 5 | 9 | 24 | 38 | |||||
| 506 FHR 13 | 13 | 6 | 9 | 24 | 38 | |||||
БРС штуцер / ниппель для шланга с безмуфтовым соединением

|
|
||||||||||||||
| Артикул | d | d1 | d2 | d3 | L1 | Lmax | L | SW | ||||||
| 506 ER 10 | 1/8” | 6 | 9 | 22 | 17 | 18 | 24 | 13 | ||||||
| 506 ER 13 | 1/4” | 6 | 9 | 26 | 19 | 20 | 29 | 16 | ||||||
| 506 ER 17 | 3/8” | 6 | 9 | 30 | 21 | 22 | 30 | 19 | ||||||
| 506 ERM 10 | M10x1 | 6 | 9 | 22 | 17 | 18 | 24 | 11 | ||||||
| 506 ERM 14 | M14x1,5 | 6 | 9 | 26 | 19 | 20 | 25 | 14 | ||||||
БРС ниппель / штуцер с клапаном и внешней резьбой

|
|
|
|||||||||||||
| Артикул | d | d1 | d2 | d3 | L1 | Lmax | L | SW | ||||||
| 506 ERB 13 | 1/4” | 6 | 9 | 28 | 19 | 21 | 29 | 14 | ||||||
| 506 ERB 17 | 3/8” | 6 | 9 | 30 | 21 | 21 | 29 | 17 | ||||||
БРС ниппель / штуцер с клапаном и внешней резьбой

|
|
|
||||||||||||
| Артикул | d | d1 | d2 | L1 | L | L2 | SW | ||||||
| 506 ER 10-90° | BSPT 1/8” | 6 | 9 | 11 | 27 | 23 | 11 | ||||||
| 506 ER M10-90° | M10x1 | 6 | 9 | 11 | 27 | 23 | 11 | ||||||
| 506 ER 13-90° | BSPT 1/4” | 6 | 9 | 11 | 34 | 23 | 15 | ||||||
| 506 ER M14-90° | M14x1.5 | 6 | 9 | 11 |
34 |
23 | 17 | ||||||
|
506 ER 17-90° |
BSPT 3/8” | 6 | 9 | 11 | 34 | 23 | 17 | ||||||
БРС ниппель / штуцер с клапаном и внешней резьбой

| Артикул | Артикул | d | d1 | d2 | L | L1 | SW | ||||||
| 506 ER N10x63 | 506 ERL 10x63 | 1/8” | 6 | 9 | 63,5 | 25,4 | 11 | ||||||
| 506 ER N10x101 | 506 ERL 10x101 | 1/8” | 6 | 9 | 101,6 | 25,4 | 11 | ||||||
| 506 ER N10x140 | 506 ERL 10x140 | 1/8” | 6 | 9 | 140 | 25,4 | 11 | ||||||
| 506 ER N10x178 | 506 ERL 10x178 | 1/8” | 6 | 9 |
178 |
25,4 | 11 | ||||||
| 506 ER N10x216 | 506 ERL 10x216 | 1/8” | 6 | 9 |
216 |
25,4 | 11 | ||||||
| 506 ER N10x254 | 506 ERL 10x254 | 1/8” | 6 | 9 | 254 | 25,4 | 11 | ||||||
| 506 ER N10x292 | 506 ERL 10x292 | 1/8” | 6 | 9 | 292 | 25,4 | 11 | ||||||
| 506 ER N10x330 | 506 ERL 10x330 | 1/8” | 6 | 9 | 330 | 25,4 | 11 | ||||||
|
|
|||||||||||||
| 506 ER N13x63 | 506 ERL 13x63 | 1/4” | 6 | 9 | 63,5 |
22,2 |
14 | ||||||
| 506 ER N13x101 | 506 ERL 13x101 | 1/4” | 6 | 9 | 101,6 |
31,7 |
14 |
||||||
| 506 ER N13x140 | 506 ERL 13x140 | 1/4” | 6 | 9 | 140 |
31,7 |
14 |
||||||
| 506 ER N13x178 | 506 ERL 13x178 | 1/4” | 6 | 9 |
178 |
31,7 |
14 |
||||||
| 506 ER N13x216 | 506 ERL 13x216 | 1/4” | 6 | 9 |
216 |
31,7 |
14 |
||||||
| 506 ER N13x254 | 506 ERL 13x254 | 1/4” | 6 | 9 | 254 |
31,7 |
14 |
||||||
| 506 ER N13x292 | 506 ERL 13x292 | 1/4” | 6 | 9 | 292 |
31,7 |
14 |
||||||
| 506 ER N13x330 | 506 ERL 13x330 | 1/4” | 6 | 9 | 330 | 31,7 |
14 |
||||||
|
|
|||||||||||||
| 506 ER N17x63 | 506 ERL 17x63 |
3/8” |
6 | 9 | 63,5 |
25,4 |
19 | ||||||
| 506 ER N17x101 | 506 ERL 17x101 |
3/8” |
6 | 9 | 101,6 |
31,7 |
19 |
||||||
| 506 ER N17x140 | 506 ERL 17x140 |
3/8” |
6 | 9 | 140 |
31,7 |
19 |
||||||
| 506 ER N17x178 | 506 ERL 17x178 | 3/8” | 6 | 9 |
178 |
31,7 |
19 |
||||||
| 506 ER N17x216 | 506 ERL 17x216 |
3/8” |
6 | 9 |
216 |
31,7 |
19 |
||||||
| 506 ER N17x254 | 506 ERL 17x254 |
3/8” |
6 | 9 | 254 |
31,7 |
19 |
||||||
| 506 ER N17x292 | 506 ERL 17x292 |
3/8” |
6 | 9 | 292 |
31,7 |
19 |
||||||
| 506 ER N17x330 | 506 ERL 17x330 |
3/8” |
6 | 9 | 330 | 31,7 | 19 | ||||||
Страницы в онлайн-каталоге - 64-72